Einfacher RF-Generator 175 MHz 20 Watt 12 Volt

Der folgende Schaltplan findet sich in dem Buch "Minispione 4" von Günter Wahl auf Seite 51.

Die Transistoren dürften relativ schwierig erhältlich sein und sind sicher entsprechend teuer.

 

Ansicht des fertig aufgebauten Senders

 

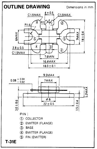
Wir haben in die Schaltung die Mitsubishi-Transistoren 2SC 1946a eingesetzt. Die im Datenblatt angegebene Anschlußbelegung ist nach unseren Messungen falsch. Hier die richtige Anschlußbelegung:

 

Der Schwingkreis wurde vereinfacht und besteht aus einer einfachen Windung versilberten Kupferdrahts. Die Maße der Spule betragen in der Länge 3,5 cm und in der Breite 1,5 cm.

 

In der Mitte die Schwingkreisspule aus versilbertem Kupferdraht (ca. 1 mm Durchmesser). Der Kollektor des jeweiligen Transistors ist links und rechts in der Mitte der Spule angelötet. Der optimale Punkt läßt sich durch Versuche bestimmen. An der oberen Biegung der Spule ist die positive Spannung angelegt. Dort ist ebenfalls die Spule angelötet die die Hochfrequenz auskoppelt (blauer Draht). Dieser Draht wird in der Mitte der Spule entlang geführt und dann mit einer Windung entlang der Schwingkreisspule geführt wie die folgende Zeichnung zeigt.

 

 

Die Gesamtansicht des Senders mit einem Kühlkörper und einer 10 Watt Birne in der Antennenleitung. Mit diesem relativ kleinen Kühlkörper kann der Sender nur kurz oder gepulst betrieben werden. Wegen der hohen Leistung muß auch für eine leistungsfähige Stromversorgung gesorgt werden. Wer kein Netzgerät hat kann auch eine alte Autobatterie verwenden. Bei zu schwacher Stromversorgung arbeitet der Sender nicht. Zum Abstimmen dreht man abwechselnd alle 3 Trimmerkondensatoren vorsichtig bis der Sender Radiofrequenz liefert, dabei nicht vergessen eine Antenne anzuschließen. Wenn die Schwingkreisspule verkleinert wird kann die Frequenz erhöht werden. Mit Transistoren vom Typ 2SC 2695 sollte es möglich sein Frequenzen von 500 MHz und darüber zu erreichen.

http://www.totalitaer.de