Telefone abhören


Einen Telefonabhörsender zeigt folgender Schaltplan. Er wird irgendwo zwischen dem Telefon und der Telefongesellschaft installiert. Dazu eignen sich beispielsweise das Telefon selber sowie alle Anschlußdosen und die verdeckt laufenden Telefonkabel. Da diese Sender ihre Energie aus dem Telefonnetz beziehen haben sie eine unbegrenzte Lebensdauer.


 
 
 

Eine Vorstellung von den geringen Abmessungen solcher Telefonsender bei entsprechendem Aufbau gibt folgendes Bild. Es ist also nicht so einfach, einen solchen Sender zu entdecken.


 
 

Das folgende Bild zeigt einen Telefonabhörsender mit Batterie für kurzzeitiges Abhören. Die Nadel wird einfach durch die Isolierung in einen Draht der Telefonleitung gesteckt, sodaß das Gerät in wenigen Sekunden installiert und wieder entfernt werden kann. Da das Kabel nicht aufgetrennt oder abisoliert werden muß, läßt sich das stattgefundene Abhören nach dem Entfernen des Senders kaum noch feststellen.


 
 

Das von den Transformatoren der älteren Telefongeräten ausgestrahlte Magnetfeld läßt sich mit Hilfe einer Empfangsspule bis in eine Entfernung von einem Meter empfangen. Dieses Magnetfeld schwankt im Takt der Sprache, sodaß auf diese Art mit Hilfe eines Verstärkers das Telefongespräch abgehört werden kann.


 
 

Auch das Telefonkabel bildet ein schwaches Magnetfeld aus, das mit einer Spule empfangen werden kann. An diese Spule kann ein Verstärker und ein Tonbandgerät angeschlossen werden. Nach dem Entfernen läßt sich dieses Abhören ebenfalls nicht mehr nachweisen, da das Kabel nicht durchtrennt werden muß. Auch durch Meßverfahren läßt sich die Installation eines solchen Gerätes kaum nachweisen.


 
 
 

Eine solche Empfangsspule läßt sich auch mit einem Sender verbinden:


 
 
 

Den Aufbau und die Größe eines solchen Senders zeigt das folgende Bild. Am unteren Rand ist das durch die Spule geführte Telefonkabel zu sehen.


 
 

Auch das Telefon selbst kann zu einem Abhörgerät umfunktioniert werden. Wenn eine Zugangsmöglichkeit zum Telefon besteht, kann man den Gabelkontakt durch Parallelschalten eines Überspannungsableiters oder einer Z-Diode umgehen. Eine weitere Möglichkeit zur Überbrückung des Gabelkontaktes ist das Parallelschalten eines Widerstandes oder eines Kondensators. Auch die Klingel des Telefons kann, ohne Eingriff in das Telefon, in ein Mikrofon verwandelt werden.

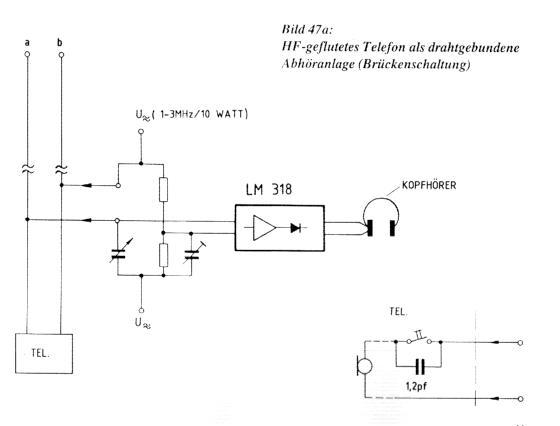
Ein interessantes Verfahren ist das Hochfrequenzfluten des Telefons. Über die Telefonleitung wird Hochfrequenz in das Telefon eingekoppelt, die durch die Schwingung des Telefongehäuses im Takt der Sprache moduliert wird. Dadurch wird es möglich, jedes in der Nähe eines Telefons geführte Gespräch abzuhören. Auch dann, wenn nicht telefoniert wird.


 
 
 

Wer nun glaubt, daß sein neues ISDN-Telefon abhörsicher ist, ist sich nicht darüber im klaren, daß es sich um ein computergesteuertes Kommunikationssystem handelt. In diesem System ist ein Befehl "off hook", also "Hörer abheben", vorgesehen. Das heißt, daß das Mikrofon von der Telefongesellschaft im Auftrag staatlicher Behörden eingeschaltet werden kann. Also kann  jedes in der Nähe des Telefons geführte Gespräch abgehört werden. Diese abgehörten Gespräche werden direkt zu der anfordernden Stelle durchgeschaltet.
Um solche Abhöraktionen durchzuführen ist es nicht mehr nötig in das Telefonnetz einzugreifen. Die entsprechenden Steuerbefehle können in wenigen Sekunden in den Computer eingegeben werden.

Wenn ohne Genehmigung abgehört werden soll, kann man eine entsprechende ISDN-Abhöranlage einsetzen, oder einfach ein ISDN-Prüfgerät benutzen, daß das Mithören von Gesprächen ermöglicht.

http://www.totalitaer.de