Sender

Abhörgeräte werden im Handel für sehr viel Geld angeboten, obwohl sie oft nur aus wenigen Bauteilen bestehen, die man für 2-3 DM kaufen kann. Jeder kann diese Bauteile selber zusammenbauen. So kann man unter Umständen davon ausgehen, daß die Tarnfirmen der Geheimdienste jeweils eine eigene technische Abteilung haben, oder diese Geräte von interessierten Geheimdienstlern in Heimarbeit hergestellt werden. So brauchen diese Geräte nicht auf dem Markt beschafft werden. Wenn ein solches Gerät gefunden wird, kann die Herkunft aus diesem Grund natürlich nicht festgestellt werden. Ein wichtiger Aspekt, wenn man Geheimdienstaktionen plausibel abstreiten will (plausible denial, wie der Amerikaner sagt).

Der folgende Sender arbeitet mit einer Spannung von 0.6 bis 6 Volt, d.h. er kann mit einer Knopfzelle betrieben werden, sodaß entsprechend kleine Abmessungen bei entsprechendem Aufbau erreicht werden können. Die Reichweite liegt im Bereich von 50 bis 100 Metern.

Schaltplan:


 
 

Ein leistungsfähigerer Sender mit größerer Reichweite von 100 bis 200 Metern zeigt folgender Schaltplan:


 
 

Eine Vorstellung vom Aufbau eines solchen Senders zeigt folgendes Bild:


 
 
 

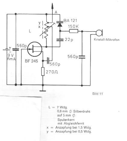
Mehrere hundert Meter können mit folgender Schaltung erreicht werden. Aufgrund des hohen Stromverbrauchs ist aber die Sendedauer bei Verwendung einer Batterie beschränkt.


 
 

Beim Einbau in elektrische Geräte oder in Steckdosen und Schaltern kann man die Batterie durch ein Netzgerät ersetzen. Folgendes Netzgerät arbeitet ohne Transformator und benötigt dadurch weniger Platz. Eine Kombination von Abhörgerät und Netzgerät lässt sich ohne weiteres in einer Dreifachsteckdose unterbringen, und wird durch das Verbinden des Steckers mit dem Stromnetz eingeschaltet. Solche Sender können über Jahre hinweg ohne Wartung in Betrieb bleiben.


 
 
 

Abhörgeräte können die benötigte Energie auch aus Solarzellen beziehen. Die folgenden Bilder geben eine Vorstellung von der Größe eines solchen Senders und der entsprechenden Solarzellen. Dunkelzeiten können durch wiederaufladbare Knopfzellen überbrückt werden. Auch ein solcher Sender kann jahrelang arbeiten.
 

     Solarzellen          Sender mit Knopfzellen

 
 
 

Auch das nächste Bild zeigt einen Miniatursender, der von jedem Bastler mit etwas Geduld selbst hergestellt werden kann.


 
 
 

Noch kleiner ist der folgende kommerzielle Abhörsender:


 
 

Die Geheimdienste benutzen auch aufwendigere Sender mit Sprachverschlüsselung, Fernsteuerung, digitaler und spread spectrum Übertragung. Das bedeutet das sie sehr viel schwerer aufzuspüren sind, da sie abgeschaltet werden können oder zu ihrem Empfang Spezialempfänger benötigt werden.
 

Abhörsender können auch drahtlos mit Energie versorgt werden. Ein starker Sender wird auf das Abhörgerät gerichtet, welches diese Energie empfängt und damit den Sender betreibt.


 
 

Eine interessante Methode wurde vom KGB in der amerikanischen Botschaft in Moskau angewandt. Sie bestrahlten ein entsprechend konstruiertes Mikrofon von außerhalb der Botschaft und werteten das reflektierte Signal aus:


 
 
 
 

Das dazu benutzte Mikrofon bestand aus einem Metallgehäuse mit einer Membran und einer in das Gehäuse ragenden, auf die Frequenz des Energiesenders abgestimmte Antenne. Durch die Schwingungen der Membran im Takt der Sprache ändert sich die Größe des Resonanzraumes und dadurch wird die von der Antenne wieder abgestrahlte Energie moduliert. Diese Energie kann empfangen und ausgewertet werden.
 


 
 
 

Das tatsächliche Aussehen eines solchen Abhörgerätes zeigt folgendes Bild:

http://www.totalitaer.de