RF-Verstärker 520 MHz 7 Watt 12 Volt

Dieser Verstärker ist dem Datenblatt für den Transistor 2sc3021 von Mitsubishi Electric entnommen.

Beim Transistor TR bezeichnet B die Basis (Base), E Emitter und C Kollektor (Collector).

L1 und L2 sind Streifenleiter, die nach den Maßen im Schaltplan (in mm) aus der Platine gefräst oder auch geätzt werden.

Spule L3 besteht aus 3 Windungen versilbertem Kupferdraht mit einem Durchmesser von 0,7 mm, der Innnendurchmesser der Spule beträgt 5 mm.

Spule L4 besteht aus 6 Windungen versilbertem Kupferdraht mit ebenfalls 0,7 mm Durchmesser und 5 mm Innendurchmesser

Die Spule L5 besteht aus 10 Windungen Kupferlackdraht von 0,4 mm Durchmesser. Der Innendurchmesser der Spule beträgt 4 mm und die Gesamtlänge 14 mm. Das Ende der Spule ist durch eine Ferritperle (F.B.) geführt.

Links im Schaltplan ist der Verstärkereingang, rechts der Verstärkerausgang. Bei einer Eingangsleistung von 1,2 Watt und einer Spannung von 12,5 Volt beträgt die Leistung nach dem Datenblatt am Ausgang 7 Watt.

Wie man Spulen wickelt wird hier erklärt.

 

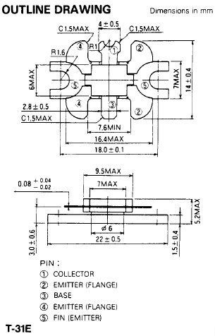
Die Zeichung des Transistors 2sc3021 aus dem Datenblatt mit den Anschlüssen Kollektor (C), Emitter (E) und Basis (B).

 

Auf eine doppelseitig mit Kupfer belegte Platine werden die Lötstellen und Streifenleiter entsprechend des Schaltplans angezeichnet. Zum Anzeichnen kann man die Bauteile auf die Platine legen.

 

Die fertig angezeichnete Platine.

 

Da der Transistor durch die Platine gesteckt wird, schneidet man an der entsprechenden Stelle ein Loch hinein. Die Lötstellen und Streifenleiter werden entsprechend den angezeichneten Linien aus der Kupferbeschichtung herausgefräst.

 

Die fertig gefräste Platine. Natürlich kann man die Platine auch ätzen, aber für Einzelanfertigungen hat sich das Fräsen bewährt.

 

Man kann die ganze Platine sauber verzinnen. Das sieht ordentlich aus, ist aber nicht notwendig. Um das Verzinnen zu erleichtern kann man die Platine mit Lötlack bestreichen. Zum Verzinnen sollte der Lötkolben eine etwas höhere Leistung haben (25 Watt und mehr). Die Kupferschicht nur kurz erhitzen, sonst löst sie sich ab.

 

Die Bauteile werden entsprechend des Schaltplans auf die Platine gelötet. Rechts im Bild die Ferritperle an der Spule L5

 

Die Gesamtansicht der fertig bestückten Platine.

 

Der Transistor wird auf einen Kühlkörper geschraubt. Dazu werden Löcher in den Kühlkörper gebohrt und entweder ein Gewinde hineingeschnitten oder die Schraube auf der Rückseite mit einer Mutter befestigt. Auch die Platine wird auf dem Kühlkörper befestigt. Die Löcher für die Platine werden durch die große Massefläche gebohrt und zwischen die Platine und den Kühlkörper wird jeweils eine Unterlegscheibe gelegt. Die Unterlegscheiben sind nötig weil der Transistor ca. 1 mm unterhalb der Platine vorsteht.

Die Unterseite der Platine sollte mit Masse (-) verbunden werden. Dazu kann man über die Kanten der Platine kurze Stücke Draht löten um die Massefläche der Oberseite mit der unteren Kupferschicht zu verbinden. Sender und Verstärker mit Leistung von mehr als einigen Milliwatt sollten immer, auch für kurze Versuche, mit einer Antenne betrieben werden oder an eine weitere Verstärkerstufe angeschlossen sein. Sonst wird der Transistor sehr leicht durch Überhitzung zerstört, denn die Energie kann ja nicht abgestrahlt werden. Als Antenne kann man ein Stück Draht verwenden, dessen Länge mindestens einem Viertel der Wellenlänge entspricht.

Zur Inbetriebnahme wird am Eingang ein Steuersender mit einer Leistung von 1 bis 2 Watt angeschlossen. Zwischen Ausgang und Antenne wird eine Glühbirne mit einer Leistung von ca. 0,5 bis 1 Watt oder ein Leistungsmesser eingefügt. Nun werden die Trimmerkondensatoren so eingestellt, daß ihr Wert ungefähr den im Schaltplan angegebenen Werten entspricht. Zuerst wird der Verstärker und dann der Steuersender eingeschaltet. Nun wird mit einem Kunststoffschraubenzieher die Einstellung der Trimmerkondensatoren vorsichtig verändert, bis die Glühbirne am hellsten leuchtet, also eine maximale Verstärkung erreicht ist. Nach dem Abstimmen wird die Glühbirne entfernt, damit die Leistung an die Antenne oder die nächste Verstärkerstufe weitergegeben und nicht in Licht und Wärme umgewandelt wird.

http://www.totalitaer.de