Sender 100 MHz bis 600 MHz, 1-2 Watt

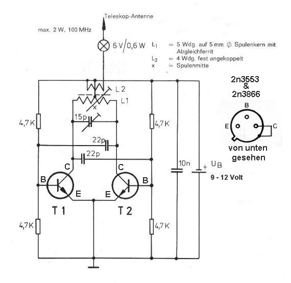
Der folgende Schaltplan ist dem Buch "Minispione II" von Günter Wahl, Stuttgart 1974 (Seite 26) entnommen. Mit der dort angegebenen Schwingkreisspule arbeitet der Sender mit einer Frequenz von 100 MHz. Wie man Spulen dieser Art herstellt, wird hier beschrieben. Beim Nachbau verwendet man natürlich die im Schaltplan angegebenen Daten für Spulendurchmesser und Windungszahl. Verwendet werden entweder 2 Transistoren vom Typ 2n3553 oder 2n3866. Die Transistoren 2n3866 sind für höhere Frequenzen etwas besser geeignet, haben aber insgesamt eine geringere Ausgangsleistung.

 

Wir haben diesen Sender für höhere Frequenzen auf einer Lochrasterplatine nachgebaut. Die Bauteile werden entsprechend dem Schaltplan in die vorgebohrten Löcher gesteckt und mit dünnem Draht werden die Verbindungen hergestellt. Wie man sieht haben wir für die höheren Frequenzen (ab 150 bis 200 MHz) eine Spule mit nur einer Windung verwendet. Die Spule besteht aus versilbertem Kupferdraht von ca. 1mm Durchmesser. Man wird wohl auch einfachen Kupferdraht verwenden können. Die Form und die Maße der Spule sind aus dem Bild ersichtlich. Mit den Maßen der Spule im folgenden Bild schwingt der Sender bei ca. 150 MHz. Eine Verkleinerung der Spule führt zu einer höheren Frequenz. Die Mittelanzapfung der Spule erfolgt durch den blauen Draht der in der Mitte der Spule angelötet ist.

 

Die zwei Kondensatoren für die Rückkopplung an die Basis des Transistors (22 Pikofarad) haben wir durch Trimmerkondesatoren von 2-25 Pikofarad ersetzt. So kann man einen genaueren Abgleich auf höhere Leistung vornehmen. Je höher die Frequenz ist desto dichter sollten die Bauteile montiert werden. Dadurch schwingt der Sender besser und die Ausgangsleistung ist höher.

 

Blick auf die Trimmerkondensatoren.

 

Die Schwingkreisspule für 150 MHz mit Antennenankopplung. Die Antennenankopplung wird an (+) angelötet und mit einer Windung entlang der Schwingkreisspule geführt. Der Sender darf nicht ohne Antenne oder ohne Kühlsterne betrieben werden da die Transistoren sonst zerstört werden. Ob die Transistoren noch funktionsfähig sind kann man mit einem Transistor- oder einem Diodenprüfer feststellen. Die allermeisten Vielfachmeßgeräte besitzen diese Funktion, auch wenn sie sehr preiswert sind. Man geht nach der dem Meßgerät beigelegten Anleitung vor.

 

Der Sender mit einer Spule für 550 MHz.

 

Die Maße der Spule für 550 MHz sind aus dem Bild ersichtlich. Die Antennenanzapfung ist in der Mitte der Spule angelötet.

 

Die Antennenanzapfung wird mit einer Windung entlang der Spule geführt.

 

An die Antennenanzapfung wird eine abgestimmte Antenne (1/4 der Wellenlänge) oder eine Verstärkerstufe angeschlossen. Hierbei wird die Antennenanzapfung an den Verstärkereingang und die Masse (-) des Steuersenders mit der Masse (-) des Verstärkers verbunden. Eine kleine Glühbirne kann zur Leistungskontrolle dazwischengeschaltet werden. Diese verbraucht allerdings einen Teil der Hochfrequenzleistung. Die Hochfrequenzspannung kann man mit einem Hochfrequenztastkopf messen.

http://www.totalitaer.de