RF-Verstärker 175 MHz 6 Watt 13,5 Volt

Dieser Verstärker ist dem Datenblatt für den Transistor 2sc1971 von Mitsubishi Electric entnommen.

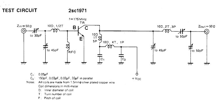
Beim Transistor TR bezeichnet B die Basis (Base), E Emitter und C Kollektor (Collector).

RFC (Radio frequency choke) bezeichnet die verwendete Hochfrequenzdrossel. Sie besteht aus einem Ferritring, durch den 12 Windungen eines Kupferlackdrahtes mit 0,4 mm Durchmesser gewickelt sind. Falls ein solcher Ferritring oder eine fertige Drossel nicht käuflich erworben werden kann, kann man sich den Ferritring selbst herstellen. Die kleinen Festinduktivitäten die manchmal angeboten werden sind vermutlich nicht geeignet, da ihre Wicklungen aus sehr dünnem Kupferlack bestehen sodaß sie durch zu hohe Stromstärken zerstört werden könnten.

Die übrigen Spulen bestehen aus einem versilberten Kupferdraht von 1,5 mm Durchmesser. Wir haben ohne Probleme einen Durchmesser von 1,2 mm verwendet. Die Spulen sind mit Buchstaben gekennzeichnet, die die folgende Bedeutung haben:
D: Innerer Durchmesser der Spule (Diameter)
T: Anzahl der Windungen (Turn number)
P: Abstand zwischen den einzelnen Spulenwindungen (Pitch of coil)

Also bedeutet zum Beispiel 10D, 2T, 3P: 10 mm Innendurchmesser, 2 Windungen, 3 mm Abstand zwischen den einzelnen Windungen.

Wie man Spulen wickelt wird hier erklärt.

 

Die Zeichung des Transistors 2sc1971 aus dem Datenblatt mit den Anschlüssen Kollektor (C), Emitter (E) und Basis (B).

Zuerst fertigt man sich nach dem Schaltplan eine Platine an. Diese Platine kann geätzt, oder nach der hier gezeigten Methode gefräst werden. Wer möchte kann die Platine vor dem Bestücken auch verzinnen. Bei einer Arbeitsfrequenz von nur 175 MHz sollte es auch noch möglich sein die Schaltung auf einer Lochrasterplatine aufzubauen.

 

Die fertige Platine wird nun bestückt. Die Halbleiter werden in der Regel zuletzt eingebaut, weil sie am wärmeempfindlichsten sind und nicht zu lange mit dem Lötkolben erhitzt werden sollten.

 

Auf die Oberfläche der Platine gelötete Bauteile.

 

Die Spule mit einer halben Windung (10D, 1/2T) vor den 2 Trimmerkondensatoren (4-70 Pikofarad). Links im Bild die Spule 10D, 1T, 5P. Dazwischen der Transistor 2sc1971.

 

Die Hochfrequenzdrossel (RFC).

 

Die Gesamtansicht des fertig aufgebauten Verstärkers.

 

Auf diesem Bild erkennt man den Kondensator C1 (0,05 Mikrofarad).
C2 besteht aus mehreren Kondensatoren. Ein Kondensator hat den Wert 150 Pikofarad (links). Anstatt der im Schaltplan vorgesehenen 2 Kondensatoren von 0,03 Mikrofarad haben wir als Ersatz 3 Kondensatoren zu 0,02 Mikrofarad eingesetzt. Die Kapazität dieser 3 Kondensatoren entspricht also den 0,06 Mikrofarad, die im Schaltplan durch die 2 Kondensatoren zu 0,03 Mikrofarad gebildet wird.

Am rechten Rand findet sich der Elektrolytkondensator (blau) mit 33 Mikrofarad. Bei der Montage dieses Kondensators ist darauf zu achten, daß er entsprechend seiner Polarität angelötet wird. Auf diesem Kondensatortyp ist der negative Anschluß mit (-) gekennzeichnet, bei manchen ist auch der positive Anschluß gekennzeichnet. Auch muß dieser Kondensator für die verwendete Spannung geeignet sein, also mindestens 20 Volt vertragen. Wenn der Elektrolytkondensator verpolt montiert oder bei zu hoher Spannung verwendet wird, wird er zerstört. Unter Umständen kann es zu einem mehr oder weniger lauten Knall kommen.

Vor der Inbetriebnahme muß an den Transistor noch ein Kühlkörper angeschraubt werden. Die positive Spannung von 12-13,5 Volt wird am Punkt +VCC im Schaltplan und die negative Spannung an die Masse angeschlossen. Der Verstärker sollte nicht ohne Antenne betrieben werden, da sonst der Transistor zerstört werden kann. Als Steuersender kann ein Sender mit 0,2-0,8 Watt Ausgangsleistung bei ca. 175 MHz verwendet werden. Um den Sender abzugleichen lötet man zwischen dem Ausgang des Verstärkers und der Antenne eine Glühbirne von 0,5 bis 1 Watt Leistung. Die Trimmerkondensatoren werden nach Sicht auf den ungefähren Wert in der Schaltung eingestellt. Wenn die Kondensatorplatten vollständig ineinander greifen erreichen wir die höchste Kapazität und wenn sie voneinander getrennt sind die niedrigste. Bei den von uns verwendeten Trimmkondensatoren von 4-70 Pikofarad würde man die beiden Plattengruppen ungefähr zur Hälfte ineinander greifen lassen um 30 Pikofarad zu erreichen.

Nach Inbetriebnahme des Verstärkers werden die Kondensatoren sorgfältig so abgestimmt, daß die größtmögliche Leistung erreicht wird, also die Glühbirne am hellsten leuchtet oder ein angeschlossener Leistungsmesser den höchsten Wert anzeigt. Man kann auch einen Hochfrequenztastkopf verwenden um die Ausgangsspannung direkt zu messen.

Um die Schaltung zu schützen sollte man sie in ein Metallgehäuse einbauen. Das Gehäuse wird an Masse angeschlossen. Zum Abgleichen bohrt man in das Gehäuse kleine Löcher durch die man mit einem Kunststoffschraubenzieher die Trimmerkondensatoren verstellen kann. Als Verpolungsschutz kann man außerdem noch eine Diode in die positive Stromzuleitung einfügen.

http://www.totalitaer.de